You are here: Home » Stepper Motor » Hybrid Stepper Motor » SH86BYGH Stepper Motors - For Medical/Textile/Packaging/Assembly Line Equipment

SH86BYGH Stepper Motors - For Medical/Textile/Packaging/Assembly Line Equipment

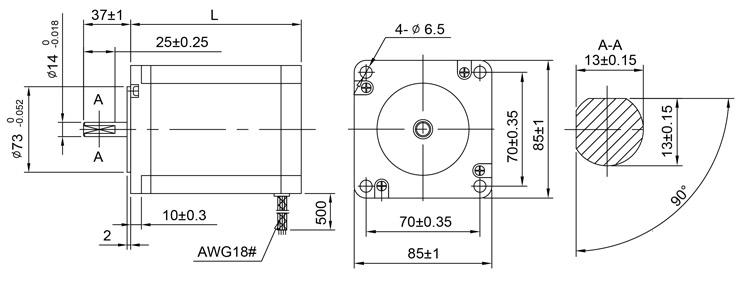
SH86BYGH stepper motors (SH86BYGH250/SH86BYGH250A/SH86BYGH250B) have 0.9°/1.8° step angles, -20℃~+55℃ temp, Class B insulation. Voltage 1.26-6.72V, current 4.2-4.5A, holding torque 3.4-10 Nm, length 76-150mm, weight 2.5-5Kg, ideal for heavy-duty industrial applications.
  • SH86BYGH Stepper Motors

  • SHINE

  • 20221207

Availability:
facebook sharing button
twitter sharing button
line sharing button
wechat sharing button
linkedin sharing button
pinterest sharing button
whatsapp sharing button
sharethis sharing button

Product Description

Core Features of SH86BYGH Stepper Motors
SH86BYGH series stepper motors (prefixed with "SH": SH86BYGH250, SH86BYGH250A, SH86BYGH250B) are engineered for industrial-grade high torque and flexibility. All models support 0.9°/1.8° optional step angles, allowing users to choose based on precision requirements—0.9° for finer positioning, 1.8° for stable basic motion, adapting to diverse equipment needs.
With Class B insulation and 500V DC 100MΩ MIN insulation resistance, they ensure safe, reliable operation in -20℃~+55℃ environments, suitable for harsh industrial conditions. Notably, their holding torque is measured in Nm (3.4-10 Nm), delivering strong driving force for heavy-load scenarios. Below is the detailed parameter table:
Model
Step Angle (Deg)
Voltage (V)
Current (A)
Resistance (Ω)
Inductance (mH)
Holding torque (Nm)
Rotor Inetia (g.cm²)
Wdg
Length (mm)
Weight (Kg)
SH86BYGH250
0.9/1.8
1.26
4.2
0.3
2.5
3.4
2
a
76
2.5
SH86BYGH250A
0.9/1.8
2.7
4.5
0.6
4.2
6
3.5
a
114
3.8
SH86BYGH250B
0.9/1.8
6.72
4.2
1.6
10
10
5.8
a
150
5
These motors combine robust performance, flexibility, and durability, making them a top choice for high-load industrial motion control systems.


Application

Target Applications of SH86BYGH Stepper Motors
SH86BYGH series stepper motors excel in four key industrial fields: medical equipment, textile instruments, packaging machines, and assembly lines. In medical equipment (e.g., large diagnostic devices, surgical auxiliary tools), their 0.9°/1.8° optional step angles ensure precise motion, while 3.4-10 Nm holding torque supports stable operation of heavy components, critical for medical safety.
For textile instruments (such as fabric winding machines), the motors’ strong torque and wide temperature adaptability (-20℃~+55℃) guarantee consistent tension control during long-term textile processing. In packaging machines (e.g., automatic sealing and filling equipment), their reliable insulation (Class B) and stable current performance (4.2-4.5A) meet the demands of high-speed, continuous packaging operations.
In assembly lines (e.g., automotive part assembly conveyors), varying lengths (76-150mm) and heavy-load capacity fit different production line layouts, ensuring smooth, efficient material transportation. Their industrial-grade design makes them versatile across high-demand sectors.


Previous: 
Next: 

Related Products

Your Reliable Pressure Switch Partner

Innovation Keeps Us Going Beyond Ourselves

Inquiries are answered in the order they are received, typicallywithin 48 hours (M-F). Response time is dependent upon thevolume of inquiries and our business schedule.
Contact us
Motor
Pressure Switch
Application
Company
Links
COPYRIGHT © 2025 CHANGZHOU SHINEMOTOR CO., LTD. ALL RIGHTS RESERVED.