You are here: Home » Stepper Motor » Hybrid Stepper Motor » SH35BYGH & SH35BYGM Stepper Motors - Precision for Monitor/Medical/Industrial Automation

SH35BYGH & SH35BYGM Stepper Motors - Precision for Monitor/Medical/Industrial Automation

SH35BYGH (1.8°) & SH35BYGM (0.9°) stepper motors (SH35BYGH317-SH35BYGM326) operate at -20℃~+55℃ (Class B insulation). Voltage 2.2-12V, current 0.2-0.8A, holding torque 0.7-1.8 Kg.cm, length 27-34mm, weight 0.14-0.25Kg, perfect for precision-driven applications.
  • SH35BYGH (1.8° step angle)

  • SHINE

  • 20221202

Availability:
facebook sharing button
twitter sharing button
line sharing button
wechat sharing button
linkedin sharing button
pinterest sharing button
whatsapp sharing button
sharethis sharing button

Product Description

Core Attributes of SH35BYGH & SH35BYGM Stepper Motors

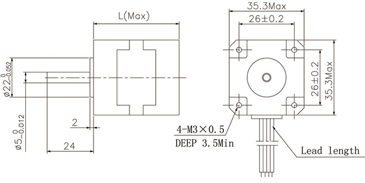
SH35BYGH and SH35BYGM series stepper motors (with "SH" prefix: SH35BYGH317, SH35BYGH327, SH35BYGH603, SH35BYGM308, SH35BYGM326) are designed for high-precision motion control. SH35BYGH has a 1.8° step angle, while SH35BYGM features a 0.9° step angle, both ensuring accurate positioning. They boast Class B insulation and 500V DC 100MΩ MIN insulation resistance, enabling safe use in -20℃~+55℃ environments.
With varying physical and electrical specs, they suit diverse needs. Below is the detailed parameter table:
Model Step Angle (Deg) Voltage (V) Current (A) Resistance (Ω) Inductance (mH) Holding torque (Kg.cm) Detent torque (Kg.cm) Rotor Inetia (g.cm²) Wdg Length (mm) Weight (Kg)
SH35BYGH317 1.8 12 0.2 60 48 0.8 0.18 10 a 27 0.14
SH35BYGH327 1.8 3.75 0.5 7.5 12 1.0 0.18 10 a 27 0.14
SH35BYGH603 1.8 5.4 0.8 6.8 10 1.8 0.20 14 a 34 0.25
SH35BYGM308 0.9 2.2 0.5 4.5 3.8 0.7 0.18 10 a 27 0.14
SH35BYGM326 0.9 12 0.24 50 40 1.0 0.18 10 a 27 0.14
These motors blend durability and precision, ideal for low-noise, high-reliability systems.


Application

Target Applications of SH35BYGH & SH35BYGM Stepper Motors

SH35BYGH and SH35BYGM series stepper motors excel in three key sectors: monitor equipment, medical instruments, and industrial automation. In monitor systems (e.g., security camera mounts), SH35BYGH’s 1.8° and SH35BYGM’s 0.9° step angles enable smooth, precise adjustments for comprehensive surveillance.
For medical instruments (e.g., diagnostic devices, lab automation tools), their stable holding torque (0.7-1.8 Kg.cm) and low detent torque (0.18-0.20 Kg.cm) ensure accurate, gentle movements, critical for patient care and test accuracy.
In industrial automation (e.g., robotic arms, conveyor controls), their wide temperature range (-20℃~+55℃) and robust insulation (Class B) guarantee consistent performance in harsh factory conditions. Compact sizes (27-34mm length) fit space-constrained setups, making them versatile for precision motion needs across industries.


Previous: 
Next: 

Related Products

Your Reliable Pressure Switch Partner

Innovation Keeps Us Going Beyond Ourselves

Inquiries are answered in the order they are received, typicallywithin 48 hours (M-F). Response time is dependent upon thevolume of inquiries and our business schedule.
Contact us
Motor
Pressure Switch
Application
Company
Links
COPYRIGHT © 2025 CHANGZHOU SHINEMOTOR CO., LTD. ALL RIGHTS RESERVED.