SH-ZXC25BY48H03-L0.6
20251223
| Availability: | |
|---|---|
Product Description
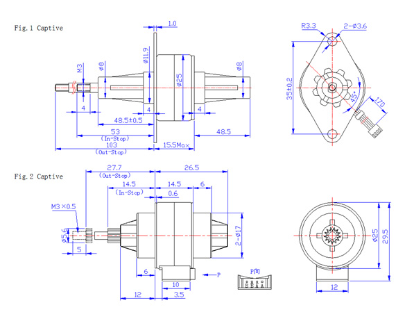
SH-ZXC25BY48H03-L0.6 and SH-ZXD25BY24H02 are high-performance precision stepper motors designed for demanding industrial applications. With compact structures and reliable operation, these motors provide accurate position control and consistent thrust output, perfectly meeting the strict requirements of automotive, medical, valve control and stage lighting fields. The detailed specifications table below covers all key electrical, mechanical and physical parameters for easy reference.


| Model | Step Angle (Deg) | No. of Phase | Voltage (V) | Current (A) | Resistance (Ω) | Travel/step (μm) | Thrust (N) | Stroke (mm) | Wdg | Fig | Weight (g) |
|---|---|---|---|---|---|---|---|---|---|---|---|
| SH-ZXC25BY48H03-L0.6 | 7.5 | 2 | 24 | 0.5 | 15 | 12.7 | ≥50(800pps) | 50 | a | 1 | 40 |
| SH-ZXD25BY24H02 | 15 | 2 | 5 | 0.38 | 13 | 25.4 | ≥17(250pps) | 13 | b | 2 | 40 |
Application