SHZW28BYGH
SHINE
20221211
| Availability: | |
|---|---|
Product Description
Motor Features and Technical Parameters
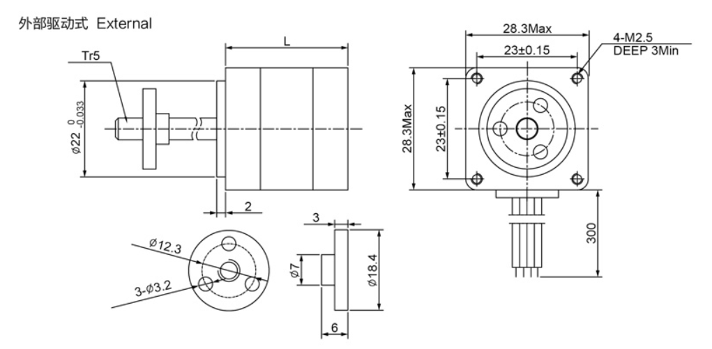
The SHZW28BYGH HL Linear Stepper Motor is engineered for high-precision motion control across critical industries, including medical equipment, tap control, 3D printer X-Y workbenches. It maintains reliable performance with a 1.8deg step angle, -20℃~+55℃ ambient temperature adaptability, and Class B insulation (insulation resistance ≥100MΩ at 500V DC), ensuring safety in diverse working environments.



With varied voltage, current, and torque configurations, it meets distinct operational demands. Below are the detailed specifications for each model:
| Model | Volt.(V) | Current(A) | Resistance(Ω) | Inductance(mH) | Holding torque(g.cm) | Detent torque(g.cm) | Rotor Inertia(g.cm²) | Length(mm) | Weight(g) |
| SHZW28BYGH201-X | 2.52 | 0.6 | 4.2 | 2.2 | 450 | 6 | 28 | 105 | |
| SHZW28BYGH303-X | 4.55 | 0.5 | 9.1 | 6 | 600 | <60 | 8 | 33 | 120 |
| SHZW28BYGH401-X | 4.2 | 0.6 | 7 | 6 | 800 | 0 | 11 | 40 | 140 |
| SHZW28BYGH501-X | 5.4 | 0.6 | 9 | 7.2 | 1000 | 13 | 50 | 180 |
| |
Application